praleisti iki pagrindinio teksto

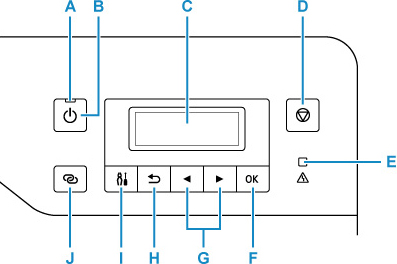
Valdymo skydelis

A: Lemputė Įjungti (ON)
Įjungus maitinimą iš pradžių mirksi, o vėliau pradeda šviesti.
B: Mygtukas Įjungti (ON)

Įjungia ar išjungia įrenginį.

C: LCD (skystųjų kristalų ekranas)
Rodo pranešimus, meniu elementus ir veikimo būseną.
D: Mygtukas Stop
Spausdinant arba renkantis meniu elementą atšaukia užduotį.
E: Lemputė Įspėjimas (Alarm)
Įvykus klaidai dega arba mirksi.
F: Mygtukas Gerai (OK)
Baigiamas elementų pasirinkimas. Taip pat naudojama klaidoms šalinti.
G: Mygtukai kairėn ir dešinėn
Naudojamas parametro elementui pasirinkti. Šie mygtukai taip pat naudojami simboliams įvesti.
H: Mygtukas Atgal (Back)
Grąžinamas ankstesnis LCD ekranas.
I: Mygtukas Sąranka (Setup)
Rodomas ekranas Sąrankos meniu (Setup menu). Per šį meniu galite atlikti spausdintuvo priežiūros procedūrą ir keisti spausdintuvo parametrus. Taip pat naudojamas įvesties režimui pasirinkti.
J: Mygtukas Belaidis prisijungimas (Wireless connect)
Norėdami nustatyti belaidžio maršruto parinktuvo informaciją spausdintuve tiesiogiai iš išmaniojo telefono ar kito tokio įtaiso (neatliekant jokios procedūros maršruto parinktuve), laikykite nuspaudę šį mygtuką.